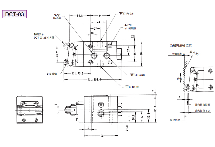
This valve is mainly used to manipulate the pilot oil circuit and use the cam stroke to press down the valve shaft to switch the direction of oil flow.






Rexroth Oil Pump|Rexroth Hydraulic Pump|Hydraulic Station System|Variable Piston Pump|Rexroth Motor

Rexroth hydraulic pump hydraulic pump station plunger pump hydraulic station system variable plunger pump




Motorized directional valve
Your position: Home page > Product center > Directional control valve > Motorized directional valveThis valve is mainly used to manipulate the pilot oil circuit and use the cam stroke to press down the valve shaft to switch the direction of oil flow.






Wuhan Xinlaifu Hydraulic pneumatic Equipment Co. LTD
Tel: 027-85849187? Fax: 027-85849186? Pgone: 13971340391
Email: wh@rexroth-hyd.com? QQ:2909698088
Address: No. 28-30, Building 7, Hubei Modern Hardware & Electrical City, Dongxihu District, Wuhan
Factory address: Shenghua Industrial Park, Xincheng 12th Road, Dongxihu District, Wuhan
You are the 1345226th visitor